K D 强力三爪直装连动卡盘




Phone: 0755-85256595
Mobile phone: 13760394166 (Chen Sheng)
Email: 348522232@qq.com
K D
強力型三爪連動直裝夾頭
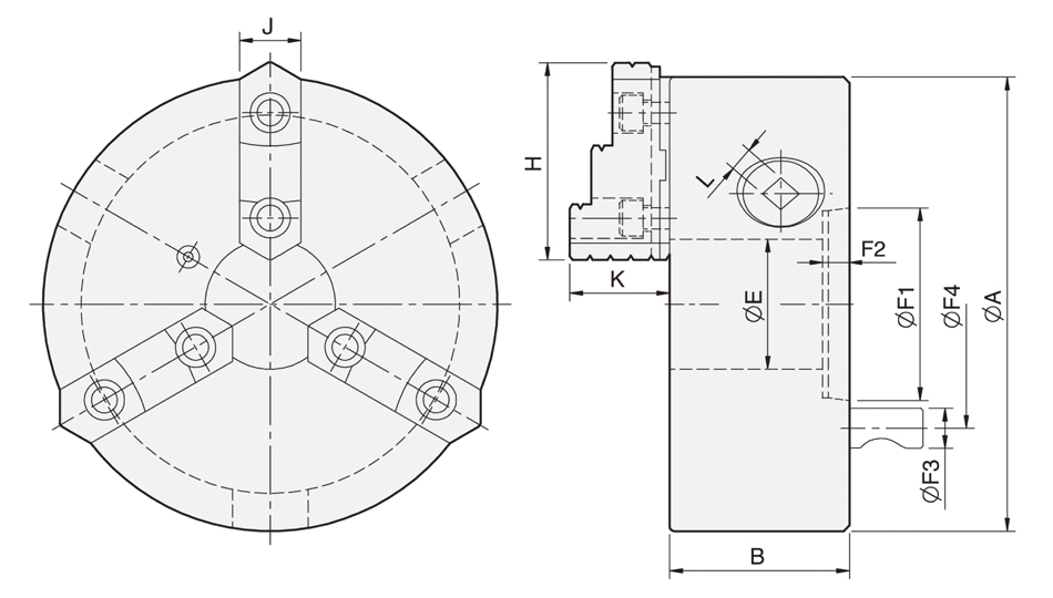
直裝型夾頭,易於安裝且快速。
連動夾頭,提升使用效率。
強力夾頭使用範圍很廣,硬爪可快速替換為SKC強力型生爪。
硬爪適合作動力切削,生爪適合於輕切削的精密加工,兩者交替使用方便。
硬爪可作正爪及反爪交換使用,廣泛的夾持方式。
適合使用於大量工作的生產作業,可立即自動歸正中心,具經濟性及耐用性。
標準配件:一支夾頭手把及六角螺絲孔扳手、一組鎖緊螺絲。
本體材質採高強度、高耐用度之米漢納鑄鐵,適用於高速迴轉;且具高於一般材質3倍之耐用性。
资料目录下载
K D 强力三爪直装连动卡盘


