S K 三爪强力连动卡盘(前后锁共用)




Phone: 0755-85256595
Mobile phone: 13760394166 (Chen Sheng)
Email: 348522232@qq.com
S K
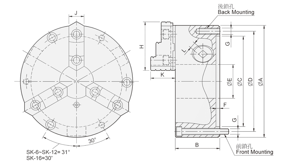
三爪強力連動夾頭(前後鎖共用)
提供前、後鎖安裝方式(SK-16除外),易於安裝
連動夾頭,提升使用效率
強力夾頭使用範圍很廣,硬爪可快速替換為SKC強力型生爪。
硬爪適合作動力切削,生爪適合於輕切削的精密加工,兩者交替使用方便。
硬爪可作正爪及反爪交換使用,廣泛的夾持方式
適合使用於大量工作的生產作業,可立即自動歸正中心,具經濟性及耐用性。
精度0.03mm (0.0012”) T.I.R.。
本體材質採高強度、高耐用度之米漢納鑄鐵,適用於高速迴轉;且具高於一般材質3倍之耐用性。
目录资料下载
S K 三爪强力连动卡盘(前后锁共用)


