SIK四爪强力连动卡盘图纸




Phone: 0755-85256595
Mobile phone: 13760394166 (Chen Sheng)
Email: 348522232@qq.com
S I K
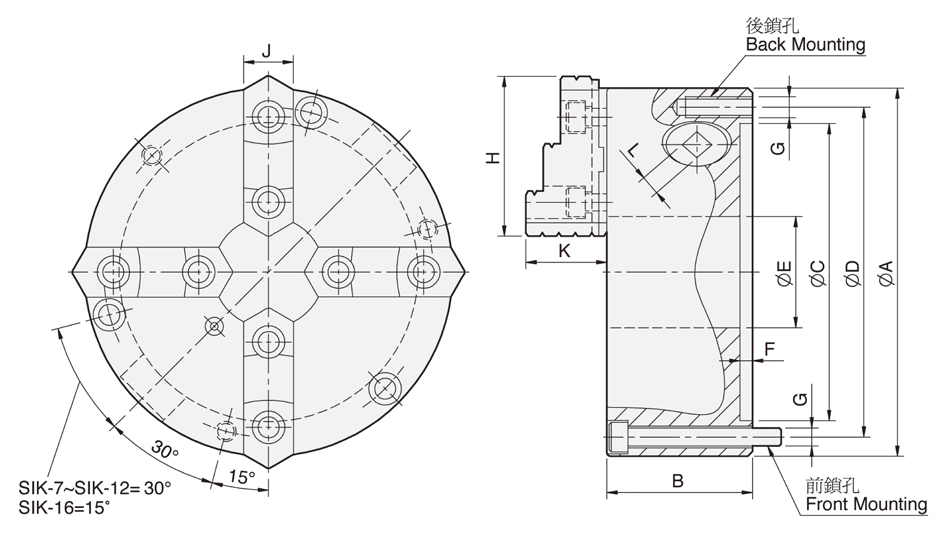
四爪强力连动卡盘(前后锁共用)
提供前、後鎖安裝方式(SIK-16除外),易於安裝
連動夾頭,提升使用效率
強力夾頭使用範圍很廣,硬爪可快速替換為SKC強力型生爪。
硬爪適用於四角型、八角型、薄管工件的夾持車削加工。
生爪經不等邊加工,即可夾持長方型工件車削加工。
尺寸法的設計與SK型相同。
適合使用於大量工作的生產作業,可立即自動歸正中心,具經濟性及耐用性。
本體材質採高強度、高耐用度之米漢納鑄鐵,適用於高速迴轉;且具高於一般材質3倍之耐用性。
目录资料下载
SIK四爪强力连动卡盘图纸


