S I C 四爪连动卡盘(前后锁共用)




Phone: 0755-85256595
Mobile phone: 13760394166 (Chen Sheng)
Email: 348522232@qq.com
S I C
四爪連動夾頭(前後鎖共用)
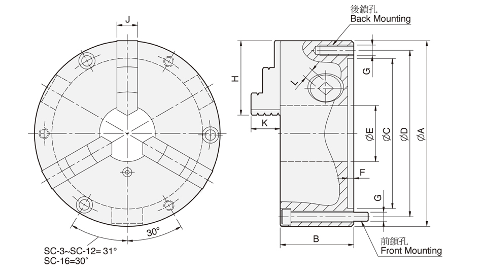
四爪連動夾頭(前後鎖共用)
四角型及八角型工作之夾持,可立即自動歸正中心。
薄度工件的夾持,穩定性高。
尺寸法的設計與SC型相同。
本體材質採米漢納鑄鐵,適用於高速迴轉;且具高於一般材質3倍之耐用性。
卡盘目录下载
S I C 四爪连动卡盘(前后锁共用)


