S E 六爪连动卡盘夹头规格图




Phone: 0755-85256595
Mobile phone: 13760394166 (Chen Sheng)
Email: 348522232@qq.com
S E
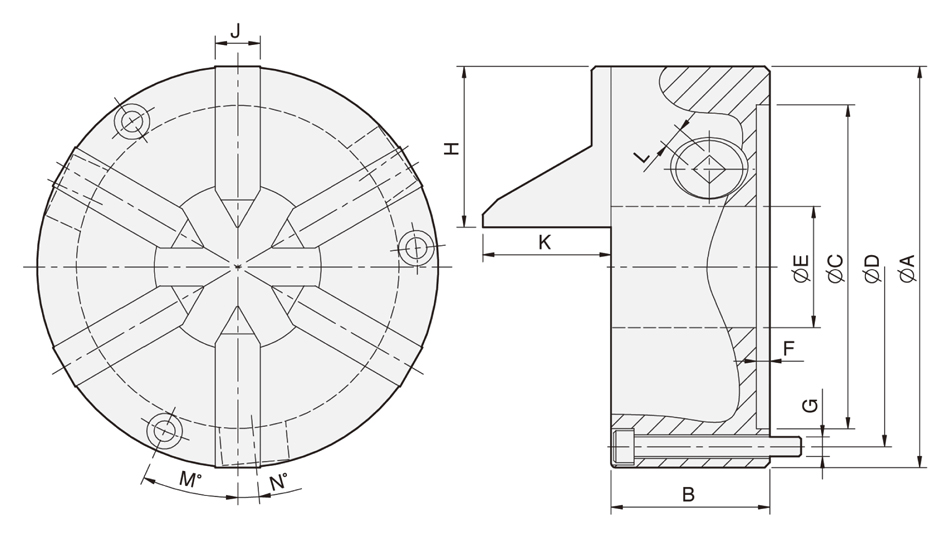
六爪連動夾頭
易於安裝。
連動夾頭,提升使用效率。
鉆頭、端銑刀、TAP等,在工具磨床上作夾持研磨,使用此六爪連動夾頭最適宜。
大孔徑設計,使穿心工件作業更廣泛。
超薄管件的把持,真圓精度準確。
本體材質採高強度、高耐用度之米漢納鑄鐵,適用於高速迴轉;且具高於一般材質3倍之耐用性。
资料目录下载
S E 六爪连动卡盘夹头规格图


