千岛油压缸规格图纸




电 话: 0755-85256595
手 机: 13760394166 (陈生)
邮 箱: 348522232@qq.com
P-S
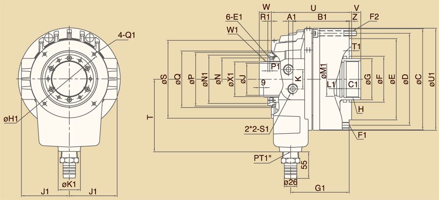
大孔徑中空油壓迴轉缸
NEW
大孔徑
油壓迴轉缸
1.薄型、重量輕:超薄外型構造,重量比傳統迴轉缸輕,形體結構小型化,在高速迴轉後,可減輕機械負擔。
2.大的貫通孔徑:大孔徑設計使加工物之貫通孔徑的範圍增加。
3.安全構造:內藏止回閥設計,於突發之壓降時仍可保持推力。
千岛油压回转缸资料下载
千岛油压缸规格图纸



热线电话
13760394166
上班时间
周一到周五
公司电话
13760394166