P-S大孔径中空油压缸图纸资料




电 话: 0755-85256595
手 机: 13760394166 (陈生)
邮 箱: 348522232@qq.com
F-S
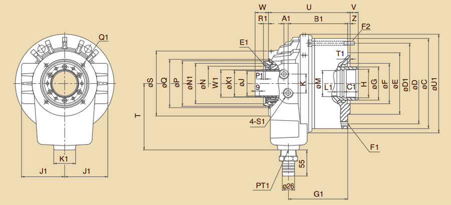
薄型高速中空油壓迴轉缸
薄型
油壓迴轉缸
1.薄型、輕量化:薄型構造,形體結構小型化,在高速迴轉時,可減輕機械負擔。
2.大貫通孔徑:大孔徑設計使加工物之貫通孔徑的範圍增加。
3.安全構造:內藏止迴閥設計,於突發之壓降時仍可保持推力。
4.安裝便捷:油缸前後端皆可鎖固。
千岛卡盘油压缸资料下载
P-S大孔径中空油压缸图纸资料



热线电话
13760394166
上班时间
周一到周五
公司电话
13760394166