欢迎来到--千岛 亿川 协威 亚亮 志钊 鉝錡 台湾机械设备及附件批发- -官网
值得信赖的机床设备供应商专为需要台湾机床、机床附件提供服务
全国咨询热线:13760394166 
联系我们
13760394166 

电 话: 0755-85256595

手 机: 13760394166  (陈生)

邮 箱: 348522232@qq.com


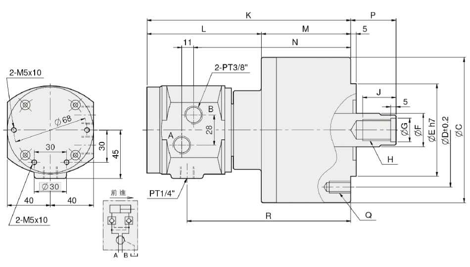
MS 中实回转油压缸

          M  S

中實迴轉油壓缸(含逆止閥)

附逆止閥。確保異常斷電時,壓力立即保持,防止工件飛出來



资料目录下载

5.pdf


产品详情

亿川卡盘中实油压缸 MS 规格图

2.png

3.jpg

4.png

亿川卡盘中实油压缸 MS 规格图


相关产品/ RELATED PRODUCTS
在线客服
联系方式

热线电话

13760394166 

上班时间

周一到周五

公司电话

13760394166 

二维码
线