高速精短型中空油压回转缸 MM



高速精短型中空油压回转缸 MM

电 话: 0755-85256595
手 机: 13760394166 (陈生)
邮 箱: 348522232@qq.com
M M
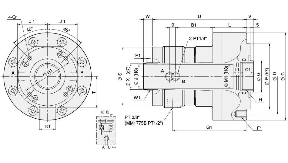
高速精短型中空迴轉油壓缸
超輕薄,超短小設計,減輕主軸負載,高速旋轉時性能更穩定。
安全構造內附逆止閥機構,確保異常斷電時壓力立即保持。防止工件飛出來。
新型式,安裝時可由後方以螺絲固鎖定。
目录资料下载
高速精短型中空油压回转缸 MM



高速精短型中空油压回转缸 MM
热线电话
13760394166
上班时间
周一到周五
公司电话
13760394166