亿川高速中空回转油压缸 M






Phone: 0755-85256595
Mobile phone: 13760394166 (Chen Sheng)
Email: 348522232@qq.com
M
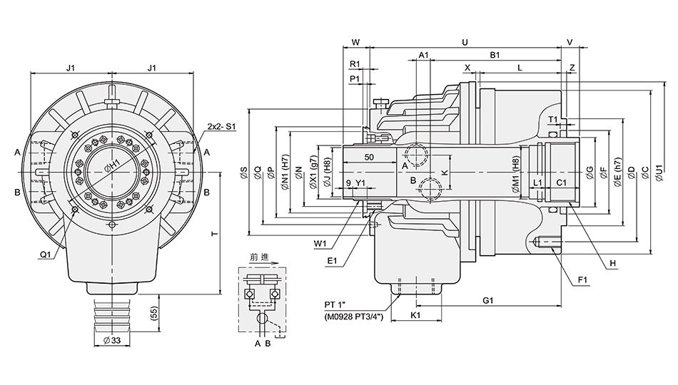
高速中空迴轉油壓缸
小型輕量:比起傳統的製品,實現小型(MAX 95mm短縮),輕量(MAX 4.5kg減輕化),
高速迴轉時的性能更穩定、更減輕機械的負擔。更大的貫通孔:比起以往的製品約有提高20%的貫通孔,
可使機械的能力充分的活用。安全構造:藉止回閥的內藏保持推力的構造。在壓力急遽下降時,
防止工件飛出來,減少主軸的重量。
目录资料下载
亿川高速中空回转油压缸 M




