S C三爪连动卡盘(前后锁共用)




电 话: 0755-85256595
手 机: 13760394166 (陈生)
邮 箱: 348522232@qq.com
S C
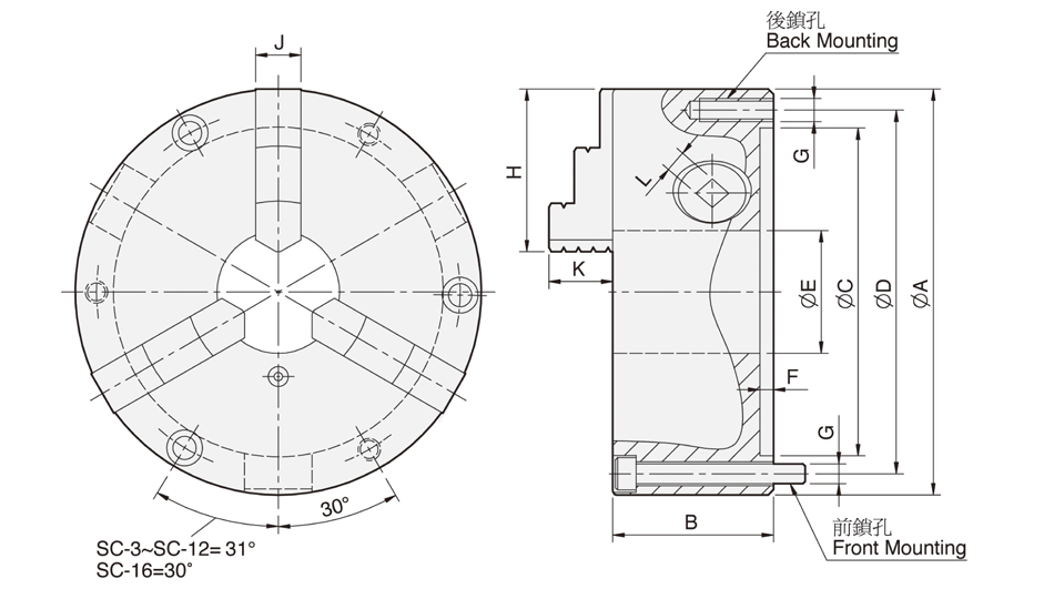
三爪連動夾頭(前後鎖共用)
三爪連動夾頭(前後鎖共用)
提供前、後鎖安裝方式(SC-16除外),易於安裝
連動夾頭,提升使用效率
硬爪可作正爪及反爪交換使用,廣泛的夾持方式
適合使用於大量工作的生產作業,可立即自動歸正中心,具經濟性及耐用性。
精度0.03mm (0.0012”) T.I.R.。
本體材質採高強度、高耐用度之米漢納鑄鐵,適用於高速迴轉;且具高於一般材質3倍之耐用性。
资料目录下载
S C三爪连动卡盘(前后锁共用)



热线电话
13760394166
上班时间
周一到周五
公司电话
13760394166