欢迎来到--千岛 亿川 协威 亚亮 志钊 鉝錡 台湾机械设备及附件批发- -官网
值得信赖的机床设备供应商专为需要台湾机床、机床附件提供服务
全国咨询热线:13760394166 
联系我们
13760394166 

电 话: 0755-85256595

手 机: 13760394166  (陈生)

邮 箱: 348522232@qq.com


億川卡盘批发

亿川SC手动卡盘


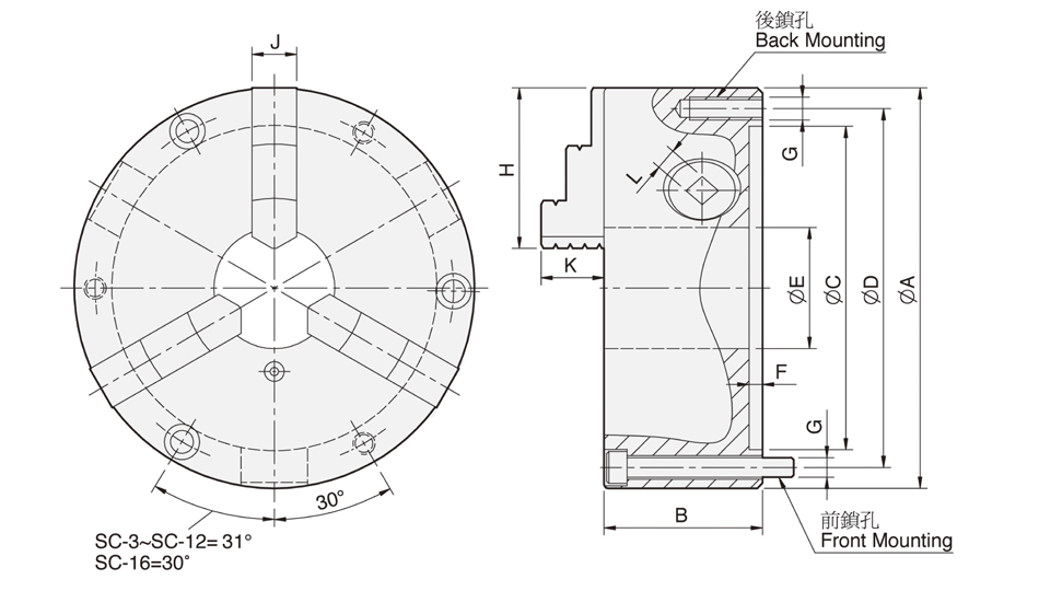
三爪連動夾頭(前後鎖共用)

三爪連動夾頭(前後鎖共用) 

正、反爪,可以換使用。

適合使用於大量工作的生產作業,具經濟性及耐用性。

精度0.03mm (0.0012”) T.I.R.。

本體材質採米漢納鑄鐵,適用於高速迴轉;且具高於一般材質3倍之耐用性


SC手动卡盘资料下载

亿川SC电子档 -.pdf


产品详情

SC手动卡盘尺寸图

1.jpgSC05.jpgSC06.png



相关产品/ RELATED PRODUCTS
在线客服
联系方式

热线电话

13760394166 

上班时间

周一到周五

公司电话

13760394166 

二维码
线