公司简介
企业文化
台湾厂家官网链接
千岛卡盘
千鸿卡盘
亿川卡盘
台湾顶针
协威产品系列
豪伯特产品系列
志钊(宇特)系列
磁性座(表座)系列
筒夹/攻丝夹具
刀杆系列
高速钻床系列
鉝錡搪刀
鉝錡刀杆
鉝錡铣刀
鉝錡钨刀
测量备及附件
分度盘/尾座
机床与附件
手动卡盘
油压卡盘夹头
气压卡盘
油压回转缸
千岛卡盘配件
手动卡盘1
油压卡盘夹头1
气压卡盘1
油压回转缸1
其它卡盘及配件1
Phone: 0755-85256595
Mobile phone: 13760394166 (Chen Sheng)
Email: 348522232@qq.com
F 6 6
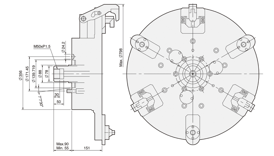
鋁輪圈夾頭
F66型鋁輪圈夾頭採用高級合金鋼材質,所有滑動面經表面硬化及研磨處理,以提高迴轉度及耐久性。
配合件直接安裝並符合DIN, BS, ISO, ASA, B5-9, A型之主軸標準。
资料目录下载
亿川电子档 - 副本-34.pdf
亿川铝圈卡盘夹头F66
热线电话
13760394166
上班时间
周一到周五
公司电话