亿川BL三爪摇摆式卡盘夹头



亿川BL三爪摇摆式卡盘夹头

Phone: 0755-85256595
Mobile phone: 13760394166 (Chen Sheng)
Email: 348522232@qq.com
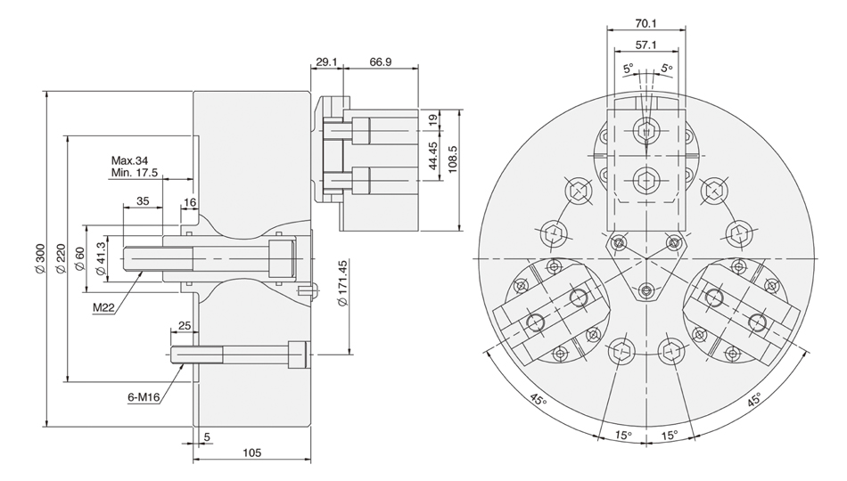
B L
三爪搖擺式夾頭
可引入加工物並夾持,爪齒為夾持,拉近兩段動作,故可將加工物確實吸附於夾頭前面的定位器上
,維持安定夾持狀態。可做外徑夾持與內徑夾持,經由簡單操作可以靈活切換外徑夾持與內徑夾持。
可夾持推拔部品,本產品可確實夾持具有撥模斜度的鑄鍛製品的黑色表皮面,故加工物夾持部份可省
略取捨加工的手續(最大可夾持到20°推拔)。爪齒可做搖晃運動,爪齒可依照部位做搖晃運動,
故能穩定夾持(單側最大可以到5°)。具有優異的防塵性,本品與既有的一般夾頭不同,
在結構上具有防塵性,特別是在鎖定臂(lock arm)部份設有防塵套,可防止鐵屑侵入。
目录资料下载
亿川BL三爪摇摆式卡盘夹头



亿川BL三爪摇摆式卡盘夹头