欢迎来到--千岛 亿川 协威 亚亮 志钊 鉝錡 台湾机械设备及附件批发- -官网
值得信赖的机床设备供应商专为需要台湾机床、机床附件提供服务
全国咨询热线:13760394166 
联系我们
13760394166 

电 话: 0755-85256595

手 机: 13760394166  (陈生)

邮 箱: 348522232@qq.com


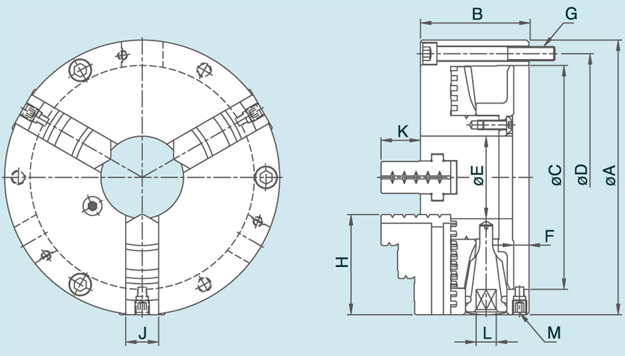
CT可调式普通型三爪钢壳夹头

CT

可調式普通型三爪鋼殼夾頭

手動夾頭

鋼殼夾頭

1.正、反爪可交換使用。

2.適合使用於大量工作的生產作業,耐用性佳。

3.鋼殼結構於高速迴轉時安全性高,耐磨性強,使用壽命長

千岛卡盘 夹头资料下载

CT_Cal.pdf


产品详情

千岛可调式普通型三爪卡盘夹头图纸资料

CT.pngCT_dim.jpgQQ图片20221118222215.png


相关产品/ RELATED PRODUCTS
在线客服
联系方式

热线电话

13760394166 

上班时间

周一到周五

公司电话

13760394166 

二维码
线