千岛卡盘夹头图纸




电 话: 0755-85256595
手 机: 13760394166 (陈生)
邮 箱: 348522232@qq.com
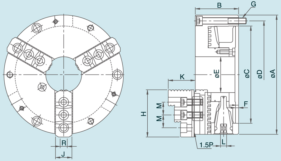
NT 齒式三爪鋼殼夾頭
手動夾頭
鋼殼夾頭
1.可替代修整油壓生爪成型盤。
2.爪仔可前後任意調整,加大夾持工件範圍。
3.生爪及硬爪與CNC車床油壓爪共用。
4.鋼殼結構於高速迴轉時安全性高,耐磨性強,使用壽命長。
5.轉動板手扭力較小操作順暢。
6.兩爪夾頭僅提供強力生爪。
千岛卡盘资料下载
千岛卡盘夹头图纸



热线电话
13760394166
上班时间
周一到周五
公司电话
13760394166