千岛MC方形超薄卡盘夹头图纸





电 话: 0755-85256595
手 机: 13760394166 (陈生)
邮 箱: 348522232@qq.com
MC
方形超薄夾盤
薄型
手動夾頭
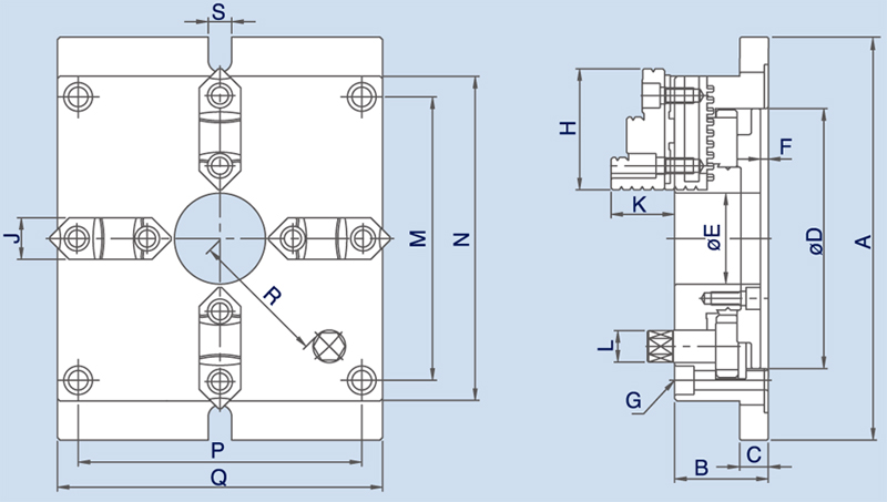
1.MC均為定寸研磨方式:任何相同規格之方型夾盤W, X , Y , Z各點之高度公差為0.05mm以內。
2.MC規格均可替換生爪,作不規則形狀之加工,以替換中心機大量治具,更經濟、方便。
3.硬爪重複夾持之精度公差為0.02mm以內。
4.側邊平行校正後,硬爪夾持之平行公差為0.05mm以內。
千岛MC方形超薄卡盘夹头资料下载
千岛MC方形超薄卡盘夹头图纸




热线电话
13760394166
上班时间
周一到周五
公司电话
13760394166