欢迎来到--千岛 亿川 协威 亚亮 志钊 鉝錡 台湾机械设备及附件批发- -官网
值得信赖的机床设备供应商专为需要台湾机床、机床附件提供服务
全国咨询热线:13760394166 
联系我们
13760394166 

电 话: 0755-85256595

手 机: 13760394166  (陈生)

邮 箱: 348522232@qq.com


NBK强力超薄型卡盘夹盘

NBK

強力超薄型夾盤

薄型

手動夾頭

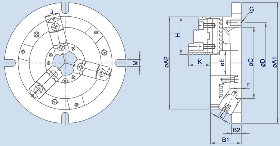
1.把手和盤面成30°角,旋轉操作更便利。

2.薄型設計,可增加機械加工之容許長度。

3.外徑成凸緣設計,裝卸容易。

4.強力型設計可共用生爪。

千岛NBK卡盘夹头资料下载

8.pdf


产品详情

千岛NBK卡盘头图纸参数2.jpg3.jpg4.png


相关产品/ RELATED PRODUCTS
在线客服
联系方式

热线电话

13760394166 

上班时间

周一到周五

公司电话

13760394166 

二维码
线