亿川三爪中实油压卡盘规格图纸



亿川三爪中实油压卡盘规格图纸

电 话: 0755-85256595
手 机: 13760394166 (陈生)
邮 箱: 348522232@qq.com
V
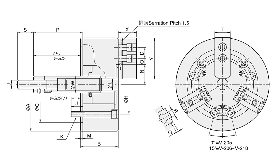
三爪中實油壓夾頭(不含連接板)
易於安裝,設有止動螺絲,預防主爪脫離,安全有保障
可替代日系品牌,互相更換
標準品6"~10"採用日本進品SCM440高強度鉻目合金鋼
大型夾頭(21吋以上)採用FCD660材料
爪溝、主爪及內部零件採硬化處理
资料目录下载
亿川三爪中实油压卡盘规格图纸



亿川三爪中实油压卡盘规格图纸
热线电话
13760394166
上班时间
周一到周五
公司电话
13760394166