欢迎来到--千岛 亿川 协威 亚亮 志钊 鉝錡 台湾机械设备及附件批发- -官网
值得信赖的机床设备供应商专为需要台湾机床、机床附件提供服务
全国咨询热线:13760394166 
联系我们
13760394166 

电 话: 0755-85256595

手 机: 13760394166  (陈生)

邮 箱: 348522232@qq.com


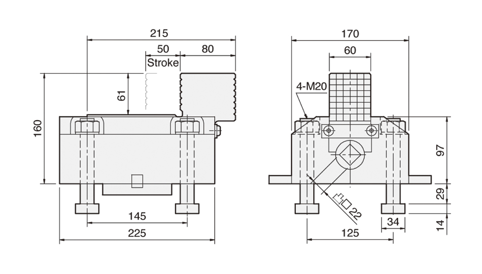
亿川HB4强力置 爪

      H B 4

強力置爪

強力置爪 

適用於巨型車床、立式車床、模治具與工作物的挾持。

四個一組附T型螺栓。

资料目录下载

5.pdf


产品详情

亿川HB4强力置爪

2.png

3.jpg

4.png



相关产品/ RELATED PRODUCTS
在线客服
联系方式

热线电话

13760394166 

上班时间

周一到周五

公司电话

13760394166 

二维码
线