FKT可调式强力型四爪钢壳卡盘图纸




电 话: 0755-85256595
手 机: 13760394166 (陈生)
邮 箱: 348522232@qq.com
FKT
可調式強力型四爪鋼殼夾頭
手動夾頭
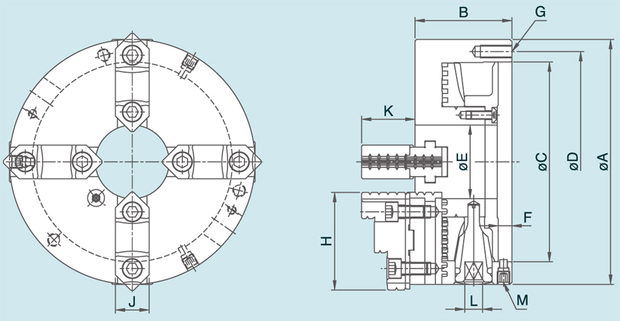
鋼殼夾頭
1.標配硬爪適合重切削加工,可替換生爪並依照需求車修進行輕切削加工。
2.適合四角形、不規則形狀材料加工。
3.鋼殼結構於高速迴轉時安全性高,耐磨性強,使用壽命長。
千岛卡盘资料下载
FKT可调式强力型四爪钢壳卡盘图纸



热线电话
13760394166
上班时间
周一到周五
公司电话
13760394166