亿川三爪长行程中空油压卡盘




Phone: 0755-85256595
Mobile phone: 13760394166 (Chen Sheng)
Email: 348522232@qq.com
NL - A
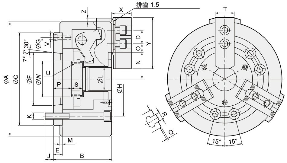
三爪長行程中空油壓夾頭(含連接板),連接板採用A2主軸規格(DIN 55026)
易於安裝,曲柄結構,中空型超長行程,適用於夾持端面落差極大之工件加工
可搭配自動送料器,提高產能效率,可搭配擋料器使用
可替代日系品牌,互相更換,連接螺帽牙規可依使用需求客製替換(請與業務人員洽詢)
標準品6"~10"採用日本進品SCM440高強度鉻目合金鋼,爪溝,
主爪及內部零件採硬化處理,快速更換中心蓋板
目录资料下载
亿川三爪长行程中空油压卡盘


