VA三爪中实油压卡盘资料图



VA三爪中实油压卡盘资料图

Phone: 0755-85256595
Mobile phone: 13760394166 (Chen Sheng)
Email: 348522232@qq.com
V
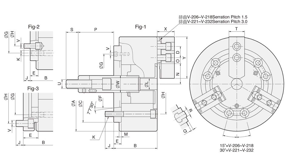
三爪中實油壓夾頭(不含連接板)
易於安裝,設有止動螺絲,預防主爪脫離,安全有保障
可替代日系品牌,互相更換
標準品6"~10"採用日本進品SCM440高強度鉻目合金鋼
大型夾頭(21吋以上)採用FCD660材料
爪溝、主爪及內部零件採硬化處理
目录资料下载
VA三爪中实油压卡盘资料图



VA三爪中实油压卡盘资料图